最新动态:
倍蓝光电
洁净室工作站
洁净室工作站

主要功能介绍:

概述 全不锈钢TMC ClassOne™工作站是一款高性能气动隔振工作台,设计安装在地面上,可实现**的洁净室兼容性。隔振性能由相同的Gimbal Piston™元件提供,它还可为光学平台、电子显微镜、精密天平和扫描隧道显微镜提

021-50710257

13331917708(微信同号)

详细信息

概述

全不锈钢TMC ClassOne™工作站是一款高性能气动隔振工作台,设计安装在地面上,可实现**的洁净室兼容性。隔振性能由相同的Gimbal Piston™元件提供,它还可为光学平台、电子显微镜、精密天平和扫描隧道显微镜提供**的隔振性能。

 

ClassOne工作站用润湿酒精的无绒布进行了擦拭,并在出厂前用塑料进行双层包裹。

洁净室工作站(图1)

Gimbal Piston隔振器

所有CleanBench工作台均采用TMC的Gimbal Piston空气隔振器作为标准配置。在并排测试中,Gimbal Piston的性能一直优于其他空气隔振器。它在所有轴上都有出色的低频隔振性能,即使在极低的输入激励水平下也能保持其性能规格。专有的减振技术使Gimbal Piston能够稳定上重下轻的有效载荷,并能迅速消除隔振台面的干扰。

 

洁净室工作站(图2)

优点

▪ 从2 Hz开始的垂直和水平隔振

▪ 在10 Hz时振动减少95%以上

▪ 几乎无摩擦,避免了滚动摩擦向静摩擦过渡

▪ 通过充当万向节来调整水平位移

▪ 即使是**低输入水平,Gimbal Piston®空气隔振器也可在各个方向上提供出色的隔振性能。它具有轻微的阻尼特性,对典型的低振幅环境地面振动具有高响应性,而对于严重的瞬态干扰(例如突然的负载变化或顶板撞击),它可实现非常好的减振效果。结果表明,Gimbal Piston隔振器可提供**的隔振效果,几乎可以在几秒钟内消除任何严重干扰。它还可以稳定具有相对较高重心的隔振系统,而不会影响隔振效果。

 

低振幅输入响应

洁净室工作站(图3)

 

在设计有效的隔振器时,所遇到的**挑战是在周围建筑地面振动的典型低振动幅度输入下保持良好性能。隔振器规格通常基于将隔振器放置在振幅输入水平非常高的“振动台”上进行的测量。这种输入振幅约为毫米的测试会导致对性能的估计不切实际,并且具有误导性,因为结果不能反映实际使用中的性能。

 

Gimbal Piston隔振器设计的独特之处在于即使在**安静、真实的地面环境中也能保持其规定的共振频率和高水平的衰减量。这种性能与如此低的振幅成线性关系,因为设计几乎没有摩擦,因此能够避免滚动摩擦到静摩擦过渡。

 

我们在典型的地面振动水平下测试的所有其他系统要么比声称的共振频率高,要么通过隔振器支架的传输大幅增加。

 

我们强调性能规格在低输入水平的重要性,因为我们在自己的测试和许多使用过的设备中反复观察到,在更大的振幅和更高的频率下更容易实现更好的性能。

 

洁净室工作站(图4)

 

水平与垂直输入

我们创新的隔振器可以充当万向节,使薄壁滚动密封膜片能够适应水平位移。Gimbal Piston隔振器未使用电缆式钟摆悬架,而是将载荷放在一个单独的顶板上,该顶板上有一根向下伸入到主活塞井内的刚性杆。杆的底部有一个支撑在坚硬、平坦底座上的球形端部。由于球在底座上非常轻微地摇动(无滑动或滚动),因此,固有的柔性联轴器可在隔振器中水平弯曲。即使输入位移在微英寸以下水平,该方法也非常有效,因为静摩擦几乎与滚动摩擦相同。水平运动只是转换为通常的垂直膜片弯曲,但不同相:活塞的一侧向上,另一侧向下,以万向节式运动。

 

洁净室工作站(图5)

 

其他类型隔振器的局限性

厚壁橡胶膜片。大多数商用隔振器在活塞中采用廉价的厚壁橡胶膜片来实现垂直隔振。由于这些元件的相对不灵活性,低振幅隔振性能不太理想。虽然这种系统用手感觉起来较“柔软”,但对于典型的低水平地面振动,橡胶更像是一个刚性联轴器而并非柔性隔振器。

 

密封气动隔振器(被动)。密封空气隔振器不会自动根据负载变化进行调整。这种系统的主要局限性在于,它们太硬而不能有效地隔振。例如,一个真正1.5 Hz共振频率的被动隔振器在负载、温度或压力发生微小变化时会垂直漂移几英寸,并且需要不断的手动调整。因此,实际密封隔振器并没有这一设计的低共振频率。

 

轴承滑板。 理论上,轴承滑板可通过其解耦效应实现水平隔振。实际上,如果要让这种设计在低振幅下工作,就需要公差很小、经过精密磨削的硬化轴承。现有的商用版本不能克服低振幅下的静摩擦力以使轴承滚动。此外,所有这些系统**初都很难对齐,并且很容易偏离校准范围。

 

自制组装。 自制隔振系统 - 通常是放置在橡胶垫、网球或气囊上的钢板或花岗岩板 - 只有在干扰振动频率高且需要**小隔振的情况下才能工作。虽然所有隔振器都使用在阻尼弹簧上放置质量的原理,但它们的性能主要通过弹簧刚度来区分:弹簧越硬,共振频率越高。因此,自制解决方案受到其高共振频率的限制。

 

具有1.5 Hz垂直共振频率的Gimbal Piston™隔振器在2 Hz时开始隔振,并可在10 Hz时将振动降低95%以上。具有7 Hz共振频率的钢板下的网球在10 Hz以上开始隔振并在30 Hz时将振动减小90%。但是大多数建筑物地面在5到30 Hz之间表现出**高的振动位移,因此网球或橡胶垫通过放大5到10 Hz之间的环境频率实际上会使问题变得更加严重。

 

洁净室工作站(图6)

 

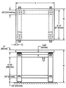
规格

Isolator natural frequency:
High Input
 
Low Input
 
Vertical=1.2Hz
Horizontal=1.0Hz
Vertical=1.5-2.0Hz
Horizontal=1.2-1.7Hz
Isolation effciency@5Hz Vertical=70-85%
Horizontal=75-90%
Isolation effciency@10Hz Vertical=90-97%
Horizontal=90-97%
Recommended payload 350lb(160kg)
Finish Electropolished stainless steel frame,passivated or electropolished stainless steel top
Facilities required 80 psi nitrogen or air

 

洁净室工作站(图7)

 

订购表

带Gimbal Piston隔振的ClassOne工作站

工作台尺寸(深 x 长) 钝化不锈钢顶部 电抛光不锈钢顶部 
750 x 875毫米
29.5 x 34.5英寸
63-631 63-635
750 x 1175毫米
29.5 x 46.3英寸
63-641 63-645
900 x 1175毫米
35.4 x 46.3英寸
63-661 63-665
900 x 1500毫米
35.4 x 59.0英寸
63-671 63-675

 

配件 - 所有工作台尺寸

可伸缩脚轮(一套四个) 83-015-01

 

配件 - 取决于尺寸

工作台尺寸
(深 x 长)
滑动搁板 - 250毫米(1英寸)
图案:10毫米(0.4英寸)
孔在25毫米(1英寸)中心
后支撑杆和安装夹具1 
750 x 875毫米
29.5 x 34.5英寸
81-312-06 81-302-05
750 x 1175毫米
29.5 x 46.3英寸
81-312-06 81-302-06
900 x 1175毫米
35.4 x 46.3英寸
81-312-07 81-302-06
900 x 1500毫米
35.4 x 59.0英寸
81-312-07 81-302-07